GO
10d

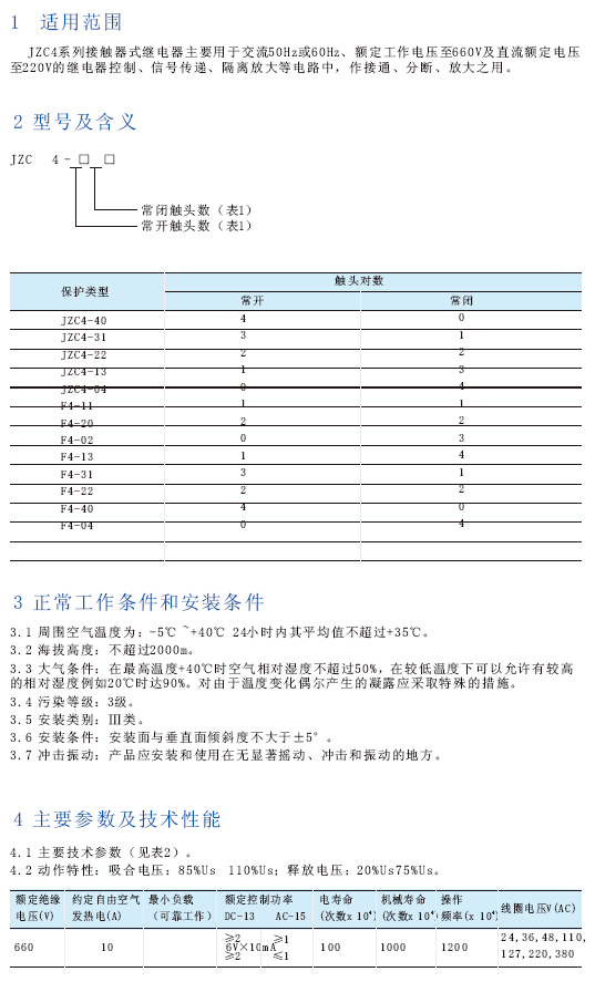
JZC4系列接触器式继电器

所属分类:热继电器、中间继电器

PDF File:

在线客服

开云(中国)Kaiyun·官方网站客服1

1428967121

开云(中国)Kaiyun·官方网站客服2

2281824741